Wpisz kilka słów, aby znaleźć treść eg:
fuse,arrestor,00110115 technical...
Najnowsze wyszukiwania
Skontaktuj się z nami
High-voltage (HV) fuses in particular applications

High-voltage (HV) fuses in particular applications

High-voltage (HV) fuses in particular applications

 

Summary

HV fuses, often named also HH fuses are High-voltage High-rupturing capacity fuses designed for alternating voltages >1 kV.

Protection of transformers for power distribution networks is the most widely spread application of HV fuses. With only a few exceptions back-up fuses are used for short-circuit protection of the primary side of power transformers. As international standard IEC 60282-1 and the harmonised German Standard VDE 0670, Part 4 do not specify any time-current characteristics for HV fuses, and even rated currents are only defined by the specified temperature rise of the contact pieces. Thus, rated currents of HV fuses from different manufacturers cannot directly be compared to each other. Selection of such fuses is based alone on manufacturer’s data. The purpose of this article is to show to the readers proper principle of MV Back-up fuse-link selection for power transformer protection.

Viktor Martinčič

Product manager for fuse systems, Chair of IEC technical committee for fuses TC 32 

 

Keywords

 

High-voltage-Fuse, Current-Limiting Fuse, Back-up Fuse, Power transformer

 

 

General

 

Fuses have been in use since the very beginnings of electrical power distribution. While the true inventor of the fuse is not known, pioneers of electrical distribution soon incorporated them as "weak points" in their circuits to prevent overheating of wiring, due to excessive current, and to prevent damage to fragile lamps from fluctuations in voltage. Fuses rapidly developed into devices able to sense a current higher than normal and quickly interrupt (break) that current, all in a self-contained easily replaceable unit. Although the variety and complexity of fuses has grown to the point where user’s guides, such as this one, are necessary, fuses still provide the highest degree of protection for the lowest initial cost.

The simplest definition of a "fuse" is that it is a device that carries current through a conductive part called the fuse element that, when the fuse is subjected to an excessive current, melts due to self-heating and initiates the interruption of the current. All conventional fuses interrupt current after some arcing across breaks in the element produced by the melting process. The melting time of a fuse is therefore also termed the "pre-arcing" time. A characteristic of fuses is that, because current interruption is initiated by a melting process, there are almost no "mechanical" aspects involved in their arc initiation. Fuses therefore have a very inverse time-current relationship (higher currents giving shorter pre-arcing times). This enables extremely short pre-arcing times at high currents, virtually without limit. It is this apparently simple phenomenon that is primarily responsible for the universal success fuses have enjoyed for a very long time.

In general, high-voltage fuses (defined as fuses rated above 1.000 V a.c.) are physically larger and generally more complex than low voltage fuses due to their need to operate at much higher voltages. HV fuses may perform one or both of two primary functions.

The first function is to respond to moderately excessive currents, typically termed "overload" currents. In this case, the rated current of the fuse (the current it is designed to be capable of carrying indefinitely without deterioration) is exceeded by a relatively modest amount (typically less than 10 times). Such currents can be caused by too much load being connected to a circuit, or by a fault that by-passes only part of the load. It should be noted that not all types of fuses are designed to have the ability to operate successfully if melted by a very low overcurrent as some types are intended only for operation at high currents.

The second function, which virtually all fuses are designed to perform, is to respond to overcurrents that are much higher, and that are usually termed "short-circuit" currents. In this case substantially all of the load is by-passed by a major fault and the available current (which, when not limited by a protective device, is termed the "prospective current") can be very high. However different types of fuse vary widely in exactly how high a current they can interrupt, and this may be a significant factor in choosing a fuse type for a particular application. The ways in which fuses respond to high and low over-currents, as well as the ways in which they actually interrupt the current, causes HV fuses to be classified in various ways.

The first main classification is into "current-limiting" and "non-current-limiting" types. "Current-limiting" (CL) describes a class of fuses defined by the behaviour that occurs when the current is so high that the fuse element melts before the first peak of the fault current (that is in less than a few ms ). Upon melting, this type of fuse introduces resistance into the circuit so rapidly that the current stops rising and instead is forced quickly to zero (before a natural current zero would occur). Because the maximum prospective peak current is not reached, the fuse limits the current in magnitude as well as duration hence the 3 "current-limiting" name. Note that during operation, the current-limiting fuse introduces a "spike" of overvoltage (the fuse switching voltage) into the system during the currentlimiting action.

An “non-current-limiting” fuse, usually named expulsion fuse, melting under the same circumstances, introduces only a small resistance into the circuit, so the current continues to virtually the same peak as would occur if the fuse had not melted. An expulsion action (that is where gas is generated by the arc and expelled along with ionized material) produces a physical gap such that, at a natural current zero, the arc does not reignite and the current is interrupted. This type of fuse therefore limits the duration of a fault but not its magnitude.

 

Current-limiting back-up HV/HH fuses

 

At high currents HV back-up fuses function the same way like low-voltage high-rupturing capacity fuses, usually called NH fuses (German: Niederspannungs-Hochleistungs), see picture 1.

 

They, however require significantly more element restrictions in series, the number of partial arcs being increased accordingly, due to the high recovery voltage. The fulgurite winds around the insulating core, following the way of the fuse-element. The longer the arc burns, the thicker the fulgurite will become. That is why the distance between the individual turns of the fuse-element must be sufficiently dimensioned to allow the switching arc to follow the turns instead of moving in a straight line in longitudinal direction. Also the distance between the fuse-element and the fuse tube must be sufficiently dimensioned to prevent the fulgurite from getting into contact with the inner wall (of the tube) and the tube from bursting, due to significant difference in temperature. Sufficiently high switching voltages for an effective current limitation come into existence through the interdependent functioning of high pressure and intensive cooling by the melting sand. High short-circuit currents generate high pressure in the fuse tube (up to 100 bar) and have a promotional effect on the breaking process. The breaking capacity is only limited by the pressure resistance of the fuse body.

The maximum breaking current I1 required to be printed on the fuse has to be larger than the maximum short-circuit current expected to be encountered in service. In order to ensure ideal conditions for proper operation, a minimum breaking current is required for the inner pressure of the fuse to reach a sufficiently high value. HV back-up fuses are not capable of clearing lower currents. If the restrictions of the fuse- 4 element melt at a current that is smaller than the minimum breaking current, the arc would burn for so long, until the sand melts and the porcelain tube gets destructed. Subject to the mounting conditions, the above mentioned may result in severe consequences.

The minimum breaking current   I3 required to be printed on the device is one of the characteristic ratings of a fuse. For currents below I3, known as the “prohibited range”, time-current characteristics are marked in dashed-line style to show that, even though the fuse-element melts, the fuse will not be capable of breaking the melting current. If currents are expected to be encountered at the place of installation of the HV back-up fuse which are within the dashed-line range of the time-current characteristic, additional protective devices must be provided such as switch-fuse combinations which are designed to interrupt such currents.

 

Distribution transformer protection with current-limiting fuses

 

Purpose of fuses

It should be remember that the primary purpose of a transformer fuse is to remove a faulted transformer from the power system and minimize the risk of an eventful failure. Protection of the system, and minimization of the extent of the area affected by a fault, is therefore a significant concern. An "eventful" transformer failure is one that results in external damage that might be a risk to persons or property. In addition to these primary benefits, fuses can, under certain circumstances, also provide overload or secondary short-circuit protection for the transformer. While this is normally provided by secondary protection, it is sometimes required from the primary fuses (sometimes as "back up" to the secondary protection). Some desirable protection characteristics to be considered in selecting fuses for transformer applications are listed; however, it should be borne in mind that some of these requirements may be contradictory, in which case the user’s priorities should be taken into account:

 a) to protect the distribution system from the effect of faults at or within the transformer, and coordinate with the next upstream overcurrent protective device up to the maximum fault current available at the transformer fuse

b) to provide the best possible protection to the transformer from damaging through-faults (the current flowing through the transformer from a secondary fault, outside the transformer). The degree of transformer protection is determined by comparing the operating time-current curve for the selected fuse with the appropriate transformer short- time loading curve. Both curves need to be properly adjusted to reflect differences between primary- and secondary-phase currents and winding currents associated with the specific transformer connection involved and the types of possible faults in the secondary circuit

c) to provide detection and isolation of internal transformer faults and reduce the possibility of transformer case rupture

d) to permit loading the transformer to the maximum loading practice of the user

e) to withstand combined transformer magnetizing inrush and load pickup current after shorttime (up to 1 min) service interruption, and combined transformer magnetizing inrush and load pickup current after extended (30 min and longer) outages 5

f) to properly coordinate with overcurrent protection devices on the secondary side of the transformer

g) to withstand surge discharges through a transformer with an earthed primary winding that experiences saturation of its magnetic circuit by a lightning-induced surge voltage with a long time wave shape (primarily with small transformers 25 kVA and lower)

h) to withstand surge currents that may be discharged through an arrester located on the load side of the fuse and ahead of the protected transformer.

 

Inrush considerations

Fuses may be subject to damage if inrush currents cause partial melting of the fuse element(s). Inrush currents due to energizing a transformer can be high and require checking as part of the normal selection and coordination procedure.

When a transformer is energized, relatively high inrush currents may occur, depending upon the residual flux in the core and the voltage at the instant of closing the circuit. Tests with typical transformers, as well as many years of experience in applying both current-limiting and expulsion fuses for transformer applications, have produced a generally accepted set of guidelines for fuse selection. These guidelines consider the typical first loop current value, as well as the r.m.s. value over the duration of a typical inrush current. The guidelines are in the form of two time-current points, and are expressed as multiples of transformer rated full-load current. The transformer manufacturer's guidelines should be followed if available, but typically the values used are 25 times rated current for 0,01 s (North American practice) and/or 12 times rated current for 0,1 s (universal practice). Different values may be applied based on transformer size and design. These points are compared to the fuse’s minimum prearcing TCC. If at these points, the fuse characteristic lies above and to the right, then the fuse is considered to be capable of properly withstanding the magnetizing-current inrush of the transformer

 

General rules

Current-limiting fuses are commonly used to protect transformers. There are two common methods of protecting transformers based loosely on "European" practice and "North American" practice, although there are many parts of the world that use one, or both, of these practices. IEC standards recognize "European practice" and "North American practice" in terms of preferred voltages and insulation levels; therefore these terms will also be used in relation to transformer protection practices, while recognizing that such practice is not unique to either area. While there are many reasons why one or the other practice is adopted, one of the driving forces is the density of utilization. Where many customers are concentrated in a particular area, larger sized transformers used with ring main units (incorporating switch-fuse combinations, with the switch tripped by the Back-Up fuse striker, or circuit-breakers) are often more economical. This is "European" practice. Where customers tend to be more spread out, it is more common to provide a small number of households (often one) with an individual transformer. This makes the switch-fuse combination impracticable. Instead, either a FullRange fuse is employed, or a combination of Back-Up fuse and expulsion fuse provides the full-range capability. This is "North American" practice, and such a combination of fuses poses special coordination requirements.

 

Fuse-link time-current characteristics

The time-current characteristics of HV fuse-links for transformer circuit applications should have the following features:

a) relatively high operating current in the 0,1 s region so as to withstand transformer inrush current and give good coordination with protection devices on the secondary side (where fitted)

b) relatively low operating current in the 10 s region so as to:

  • ensure rapid clearance of transformer winding faults, secondary side faults and, if applicable, primary side earth faults

  • give good coordination with up-stream overcurrent protective devices (source side).

Therefore, the pre-arcing time-current characteristics of fuse-links for transformer circuit applications should preferably be within the following limits:

If10 / Ir ≤ 6

to fulfil condition b)

If0,1 / Ir ≥ 7*(Ir / 100)0,25

to fulfil condition a)

where, all current values being expressed in amperes,

Ir is the rated current of the fuse-link;

If10 and If0,1 is the pre-arcing currents corresponding to 10 s and 0,1 s respectively, expressed as mean values with the tolerances specified in 4.11 of IEC 60282-1:2009.

The term (Ir /100)0,25 is introduced to take account of the fact that the pre-arcing time-current characteristics for a range of fuse-links diverge as they approach the short-time region.

 

Coordination

The following picture illustrates a typical transformer application involving a high-voltage fuse-link (or fuse-links), a transformer and possible protective devices on both source and load sides

 Picture 2 – Characteristics relating to the protection of the HV/LV transformer circuit

 

The transformer will be chosen first for its particular duty. This establishes the value of the rated current of the transformer, the value of the permissible overload current (where applicable) and also by inference, the inrush current. The HV fuse-link(s) are then chosen so as to give optimum protection to the circuit, bearing in mind the factors of Items a) to d) listed below.

With reference to Picture 2, the following should be noted:

a) the primary side HV fuse-link minimum pre-arcing time-current characteristic should be to the right of point A defining the transformer inrush characteristic. For practical purposes this may be taken as approximately 12 times the transformer rated current for a duration of 0,1 s 8

b) the rated current of the primary side HV fuse-link should exceed the rated current of the transformer:

  • by an amount sufficient to allow for permissible overloading of the transformer under service conditions (refer to IEC 60076-7 and IEC 60076-12)

  • by a further amount where the fuse-link(s) are mounted in an enclosure so as to ensure that the specified temperature limits for fuse-links are not exceeded and so that excessive fuse element temperature does not lead to premature fuse operation

  • by a further amount where the ambient air temperature is likely to exceed that specified in Clause 2 of IEC 60282-1:2009

c) the pre-arcing current of the primary side HV fuse-link should be as low as possible in the 10 s region of the fuse time-current characteristic in order to ensure the maximum protection of the transformer

d) for complete coordination between primary side and secondary side fuse-links or other protective devices on the load side, the intersection B of the primary side time-current characteristic (minimum pre-arcing) and the secondary side device characteristic (maximum operating) (as referred to the primary side taking into account the appropriate ratio) should occur at a value of current greater than that of the maximum fault current on the load side of the secondary side protective device.

Finally, where it is seen that the desired degree of coordination has not been achieved, the selection or setting of the source side overcurrent protective device may be re-examined. Similarly, the maximum rating of the secondary side fuse-link(s) may need to be reduced for the same reasons.

 

Bibliography

[1] IEC/TR 62655 Ed.1, 2013-05, Technical report “Tutorial and application guide for high-voltage fuses”

[2] Dr.Ing. Herbert Bessei, FuseXpert, “Fuse Manual, Power fuses, Manual for users of low-voltage and high-voltage fuses”, NH/HH Recycling, 4.Auflage 2011

[3] ETI Izlake MV fuse-links technical informations

Difference between AC and A type RCDs

Difference between AC and A type RCDs

Difference between AC and A type RCDs

 

RCD is an international term and stands for Residual Current Device, which serves as a crucial safety device intended to safeguard individuals from potential fatal electric shocks when they come into contact with live elements like exposed wires. Additionally, it can offer a degree of protection against electrical fires, providing a level of personal safety that surpasses what conventional fuses and circuit-breakers can offer. There are two versions of protective current switches: RCCB, residual current circuit breaker and RCBO, residual current circuit breaker with overcurrent protection. In this blog, we will talk about the RCCB version, i.e. the one without overcurrent protection.

 

 

As the RCDs offer a high degree of protection against electric shock, these devices are indispensable in residential and commercial premises, and very often they are mandatory, for example in bathrooms, fire-hazardous buildings... Let us take a look at different types of RCCBs and explain the difference between type AC and type A, as well as also touch on type B, which will increasingly be used in the future.

 

Operation of RCD - AC type example

All users of electrical devices know that careless and incorrect handling of electrical installations and devices can be the cause of fire and other damage, personal injury and even fatality. The use of an RCD significantly reduces the number of fatal accidents due to electric shock, and also reduces the number of fires, caused by poor insulation of electrical cables. Thus, the RCD, in addition to the possibility of switch manipulation (switching on or off), is used for protection in the event of a malfunction, as additional protection and also protection against fire.

In the following, we will try to explain the operation of the RCD on the example of an AC type RCD, and then we will also summarize type A and type B.
 

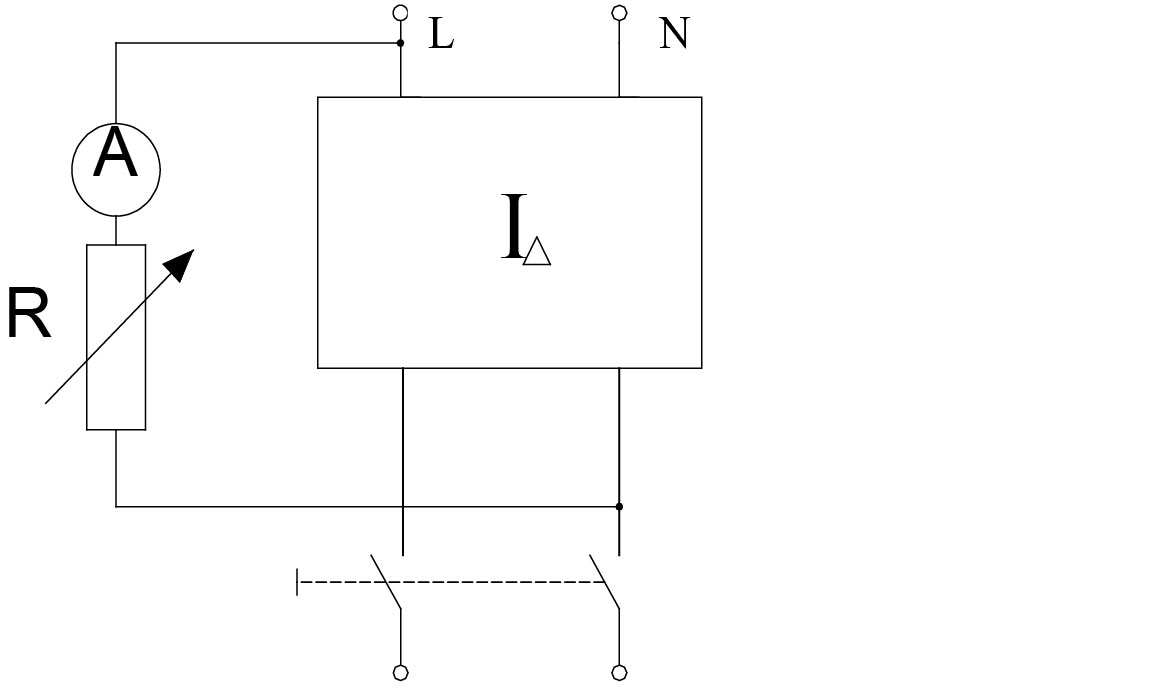
In Figure 1 we see a two-pole RCD of the AC type. How do we know it's type AC?

 

 

Figure 1: Two-pole RCD (EFI 2P) (63 A / IDn=100 mA)

 

That it is type AC can be seen by the mark on the top right in the rectangle, which is also shown in Figure 2.

 

Figure 2: indication on the RCD that it is an AC type

 

The next two important data on the RCD are the rated current (in Figure 1 it is 63 A), and the values are standardized for currents from 10 to 125 A. This is the current that the main contacts can withstand. The next important piece of information is the rated residual current (IDn). In practice, RCDs with the following rated residual currents are mostly used: 10mA, 30mA, 100mA, 300mA and 500 mA (0.5 A).

If we look at Figure 3 and imagine that we have the AC type RCD from Figure 1, let's try to explain the operation of the switch. Let's imagine that the resistance R is initially very high and we start reducing it. The current measured by the A-meter increases from a value of 10mA, 20mA..., but when it reaches somewhere between 50mA and 100mA, the switch turns off. We see that the current flows along the phase conductor (L) past the RCD and then along the neutral conductor (N) through the RCD. If the current flowed through the phase conductor through the RCD and back through the neutral, there would be no tripping.

 

                                                                                                                 

Figure 3: Explanation of the operation of the RCD
 
 
 
 

 

 

Figure 4: four-pole RCD in the TT power supply system (principle of operation - fault current flow)

 

Since the RCD serves as protection against electric shock by automatically disconnecting the power supply in electrical installations, let's try to explain it even better. The RCD is always activated at a current that occurs in the event of a certain fault. Thus, in the TT power supply system (Figure 4), in the event of a fault in an individual device or consumer (for example, a live conductor comes into contact with the housing of the stove, which could be very dangerous for the user). The fault current flows through the stove housing through the protective conductor (PE conductor), further through the protective grounding (Ra), which is at the building, then through the ground to the operational grounding (Ro) of the transformer station, then through the low-voltage winding of the transformer and through the phase conductor (via the low-voltage network and the low-voltage installation itself) to the consumer. This represents the electrical circuit of our fault current. All metal casings of electrical devices are grounded with a protective conductor, where the insulation is yellow-green in color. In the RCD, an asymmetry of the electric current occurs, since the sum of the incoming currents is not the same as the outgoing currents, and the RCD switch turns off in less than 30 ms, which is very important for people's safety. The difference in currents is known as residual current. If the residual current exceeds the value required to trip the tripping mechanism of the RCD, the RCD will trip the circuit. Figure 4 shows a four-pole RCD (40 A/0.3), or with a residual current (IDn) of 0.3 A. In this case, the RCD switch will trip between 0.15 A and 0.3 A. Since the fault current is significantly greater, the shutdown is immediate.

Now let's return to RCD types. The AC type is sensitive to alternating residual current, i.e. where fault currents are expected to be sinusoidal (Figure 2). The AC type RCD actually trips between 50 and 100% of the rated residual current, as manufacturers use standardised permissible limits. 

AC switches with a residual current of 0.3 A are very often used for installations in buildings for regular use (Figure 4). If it says 40 /0.3A on the RCD, that means 40 A is the electrical current that the main contacts of the can withstand, and 0.3 A is the nominal residual current. The fuse or MCB in front of the RCD must be less than 40 A, to protect the contacts of the RCD itself.
 
Therefore, the RCD does not trip when the sum of the inflow currents through the phase conductors is equal to the outflow current through the neutral conductor. It only trips when the fault current flows along the protective conductor past the RCD, and the resulting current asymmetry creates a condition for the switch to turn off.
 
From the explained example, it is clear that the RCD does not interrupt in case of overload and short circuits between the phase conductors or between the phase and neutral conductors, which many people mistakenly think. Figure 5 shows a single-pole short-circuit where the installation circuit breaker or fuse trips, but not the RCD, since there is no asymmetry of the currents in the RCD. It switches off in the event of a faulty current, which can also be called an earth short circuit.
 

 

Figure 5: An example of a single-pole short circuit where the miniature circuit breaker trips
 
 
 
 
 
RCD type A
Figure 6 shows a type A RCD, identified by the symbol in the upper right rectangle, which is also shown by the symbol in Figure 7.
 
 

 

Figure 6: Type A RCD (16A/300mA)

 

Figure 7: Symbol of type A, RCD

 

What is the difference between type A and type AC?

A type, in addition to alternating current, is also sensitive to half-wave or full-wave directional alternating current (pulsating direct current). An example are rooms with an increased risk, such as the bathroom, where an RCD with a rated differential current of 0.03 A (30 mA) is mandatory, as consumers such as fans are used there, which have half-wave rectification with a diode for a certain function. A type of RCD trips between 35 and 140% of the rated residual current. So for an RCD with a residual current of 30 mA it trips between 10.5 mA and 42 mA. Manufacturers use standardised tolerances.

Figure 8 shows a type B RCD, which is even rarer in electrical installations. Due to the extraordinary increase in various electronic devices with rectifiers, an increase in the use of this type of RCD can be expected.

 

 

Figure 8: four-pole RCD type B (16A/30mA)

 

The B type RCD can be recognized by the symbols in those three rectangles above in Figure 8. The B type, in addition to alternating and pulsating direct current, also works with smooth direct residual current and also with high-frequency currents. It is used in facilities where we have e.g. three-phase rectifiers, frequency converters and other electronic devices. The B type of RCD, on the other hand, trips between 50 and 200% of the nominal residual current.

 

You can find more details regarding the RCDs in our manual.

And here is a cheatsheet  on various types of RCDs and applications they are used in.

 

 

 

 

Fuse Selection with ETIFUSE

Fuse Selection with ETIFUSE

Revolutionizing Fuse Selection with ETIFUSE - An Online Comparative Tool

ETIFUSE is an award winning innovative online tool that will speed up and eliminate the guess work from the fuse selection process. It simplifies and streamlines the process of analysing I/t characteristics of fuse-links, offers interactive, accurate comparisons, adheres to international standards, and provides a user-friendly interface for efficient fuse selection. A must-try for those seeking to enhance safety and efficiency in electrical design.

 

Sabina Pešec, M.Sc.
ETIFUSE project manager

 
Patented ETIMAT P construction for a longer service life

Patented ETIMAT P construction for a longer service life

Patented ETIMAT P construction for a longer service life

The new construction of ETIMAT P miniature circuit breakers, protected by two European patents, ensures a superior electrical endurance and highest electric strength. Unique on the market, a combined thermo-magnetic tripping unit enables precise and reliable shutdown and prevents manual tampering of the overload settings. ETIMAT P are versatile, strong and durable and designed to rationalize mounting and usage.

 

Domen Janc
R&D

 

As the advantages of the new generation of ETIMAT P, we can point out reduced power dissipation, longer lifetime of the product, less impact on the environment during the production of the devices, as well as their automated assembly of the product ensures precise traceability and the highest quality control. Each product has a QR code with a link to the product website with all the relevant information, operating instructions and other technical materials. The miniature circuit breaker can be connected to the busbar and conductor at the same time, both from above and below, using wires with a connecting crossection up to 25mm2.

 
Construction of new generation ETIMAT P

With the new construction, we reduced the number of technological processes, especially the number of necessary welds, which we succeeded in with the new patented assembly of the movable contact. This new construction also enables complete automation of product assembly.

We also wanted to improve the functionality of the new generation of devices in tests of the short circuit capacity, which we succeeded in by constructing new parts of the mechanism. The new mechanism provides adequate tripping dynamics, contact opening speed and has one of the largest final inter-contact distances, which means improved dielectric breakdown strength. It also enables easy connection of single-pole devices into multi-pole versions and quick and easy installation of existing ETI accessories (auxiliary switches, remote switch-off switch, etc.) by end users and, of course, their reliable operation.

 
The assembly of the movable contact - a patented solution

The most original design solution in ETIMAT P is represented by the composition of the movable contact with, which enables:

- adequate contact force

- corresponding decreasing torque on the movable contact when the mechanism is switched off (dynamics when opening)

- a very large inter-contact distance (improved dielectric breakdown strength in the off state) and

- provides a superior number of cycles in lifetime tests (on/off).

 

The assembly ensures adequate mobility of the flexible contact and electrical conductive properties without the need to use flexible copper braids or to weld individual parts.

 

 

Assembly of the movable contact ETIMAT P

 

Combined tripping unit – a patented solution

The heart of ETIMAT P is the so-called combined tripping unit, which combines the function of thermal tripping, conditioned by the occurrence of a long-term current overload, and instantaneous electromagnetic tripping, conditioned by the occurrence of a short-circuit current. Other miniature circuit breakers on the market have thermal tripping units separate from the electromagnetic one, but in ETI's solution, both are combined into one assembly.

 

 

 

Electromagnetic tripping unit with a magnetic coil

The magnetic coil is different for each characteristic. As a consequence, the MCB doesn’t need any additional adjustments, and there is no possibility of manual tampering.

Integrated thermal release with bimetallic disc

This part of our patented innovation works as a substitute for the long bimetallic strip used in other MCBs. This solution prevents degradation of the bimetallic strip due to permanent electrical loading of the material. This ensures a stable, unchanged tripping characteristic of each ETIMAT P during its entire lifetime.

Operation of the combined tripping unit

In the event of an electrical overload, the increased electric current in the wire of the coil wound on the combination tripping unit generates heat, which heats the aluminum cylindrical crucible of the tripping unit. The resulting heat is transferred through the crucible to the thermobimetallic disc inside the tripping unit, which when heated reaches a specific temperature and fires the striker pin. At an even higher electric current, typical of a short circuit, the tripping unit fires instantly like an electromagnet due to the generated increased magnetic field. Then the striker pin is pushed by the movement of the magnetized iron arm against the fixed iron core, which is fixed in a pot inside the tripping unit. In both cases, the striker pin releases the mechanism and consequently causes the electrical shutdown of the device.

 

New, optimized arc chamber

All manufacturers of miniature circuit breakers install an arc chamber in their products, the role of which is to cool and extinguish the electric arc ("electric lightning") that occurs when the device is switched off at a high short-circuit current. It consists of iron tiles called lamellas and a supporting frame for fixing them, made of a special heat-resistant non-combustible cardboard (called "vulkan fiber").

For the ETIMAT P, we have developed a new optimized arc chamber, which has a more durable and slightly thicker casing with special round exhaust holes on the back. Round holes are an innovative solution that ensure adequate air permeability at increased pressure in short circuit conditions and at the same time successfully stop the traveling larger hot ionizing particles created under the influence of an electric arc when melting parts of conductive metal surfaces.

 

Arc chamber ETIMAT P

 

 

All major components are marked with a DMC code containing the individual test results, ensuring exact traceability and the highest quality control of each MCB.

 

 

Create Your Own Custom ETI Catalog: A Step-by-Step Guide

Create Your Own Custom ETI Catalog: A Step-by-Step Guide

Create Your Own Custom ETI Catalog: A Step-by-Step Guide

 

In the today's world efficiency and customization are key. ETI understands this need and has introduced an innovative way for professionals to create their own custom ETI catalog, which can be used as technical documentation in electrical installations' projects. This feature not only streamlines the selection and ordering process but also ensures that you have all the necessary information and resources at your fingertips. Here’s how you can leverage this tool to optimize your work.


 
Step 1: Selecting Your Products

The first step in creating your custom catalog is to choose the products relevant to your project. Browse through ETI’s extensive range and add the items you need to the "My Products" section. This personalized list allows you to keep track of your selections and makes the subsequent steps more streamlined.

Step 2: Review Your Selection in “My Products”

Once you’ve added all the necessary items to “My Products,” it’s time to review your list. This step is crucial for ensuring that you haven’t missed anything and that all the products you've chosen are aligned with your project requirements.

Step 3: Choose Your Export Option

After finalizing your product list, you’ll find three export options on the right side of the “My Products” page. Each of these options is tailored to different needs:

  1. Export to Basic Excel File: Ideal for importing data into other applications or for emailing orders to distributors. This format provides a straightforward, editable list of your selected products.
  2. Export to Basic PDF Product List: This option generates a PDF list of your products, complete with links to each product’s webpage. It’s perfect for quick sharing, maintaining the integrity of the information, and ensuring easy access to product details.
  3. Create a Custom ETI Product Catalog: This is the most comprehensive option. The custom catalog serves as technical documentation for your project and includes live links to product webpages and asset download pages. What makes this option particularly valuable is the direct access it provides to essential resources like 3D files, instruction manuals, EU declarations, and EPLAN files for each product.

Step 4: Utilize Your Custom Catalog

Once you’ve created your custom ETI catalog, it becomes an invaluable part of your project. Not only does it serve as technical documentation, but the live links and downloadable assets ensure that you have all the technical information and resources readily available. This level of accessibility and detail is particularly useful during various stages of project execution and maintenance.

 

The ETI Advantage

What sets ETI’s custom catalog feature apart is its commitment to making your work easier and faster. By understanding the specific needs of professionals in the field, ETI has tailored this tool to enhance efficiency, accuracy, and accessibility in product selection and documentation.

 

EFI eV RCCBs - a reliable e-mobility protection

EFI eV RCCBs - a reliable e-mobility protection

EFI eV RCCBs - a reliable e-mobility protection

 

The EFI eV residual current circuit breaker is specifically designed to protect electric vehicle charging stations. Its main advantage is its compatibility with the existing elements of the electrical installation protection. This eliminates the need to replace the entire panelboard when installing a home charging station.

 

Aleksander Cilenšek

Product manager

The Vital Role of Contactors

The Vital Role of Contactors

The Vital Role of Contactors

 

In the realm of electrical systems, there is a key component that often goes unnoticed but plays a vital role in motor control. It is the contactor - a seemingly modest device with extraordinary capabilities. From regulating power supply to ensuring smooth operation, contactors are the unsung heroes of electrical distribution. We delve into the intriguing world of contactors, shedding light on their functionality and uncovering the crucial role they play in optimizing motor control. Join us on this journey as we unveil the power and precision behind contactors.

 
The Smarter Europe - Green Transition Technologies Conference ​

The Smarter Europe - Green Transition Technologies Conference ​

The Smarter Europe – Conference of Green Transition Technologies ​

 

The Smarter Europe conference, with this year's main theme "Green Transition Technologies", is a companion to The Smarter Europe fair. It took place on June 13 and 14 in the conference center of the fairgrounds in Munich. A total of 37 different lectures took place over two days. Representatives of various companies and organizations related to sustainable technologies participated.

 

Anže Jerman

Product manager

As part of the "The Smarter Europe" conference, lectures were held in four areas: Intersolar (photovoltaic industry), EES (energy storage), Power2drive (electric vehicles and charging infrastructure) and EM-Power (power grid development). The mentioned areas are interwoven with each other and depend on each other, and further development must ensure that the applications that are part of these areas are mutually compatible and connectable.

 

 

At the Intersolar conference, they discussed the further development of photovoltaic modules and inverters. There was a lot of talk about placing large photovoltaic power plants in space, with alternative ways of placing them on agricultural land and water surface levels being the main topics. According to data from the conference, the REpower EU program for Europe plans to increase the total installed capacity of photovoltaic power plants fivefold from the current 210 GW to 1 TW by 2030.
 
 

Various electrical energy storage technologies were discussed at the EES conference, with battery storage units being the most talked about at the moment. The electricity grid is currently at a crossroads due to the saturation of energy produced in photovoltaic power plants. As a result, on the sunniest days there are negative prices for the production of electricity obtained from photovoltaic power plants. The solution is energy storage, which can store excess energy at peaks in electricity production. The key challenge is coordinating the balance of production and consumption of electricity in the network. For this purpose, a greater activity in the development and production of battery storage systems has already been detected in Europe.

 

The Power2drive conference was held in the name of electric vehicles and the associated charging infrastructure. The European Union's plans for a gradual transition to electric vehicles were presented. Company representatives presented examples of good practices for the integration of charging infrastructure so that it does not become too much of a burden on the electricity network.

 

At the EM-Power conference, they discussed the integration of the previously mentioned applications into the network, the upgrade of the current network, and predictions regarding the consumption of electricity in the future. There have been discussions about connectivity and communication between the applications involved.
 

 

As a final thought from this year's conference, I can mention that in the coming years a lot will happen in all four areas of green transition technologies. The development of electric vehicles is compared to the development of vehicles with internal combustion engines. The only difference is that the development of vehicles with internal combustion engines took place over a century, while the development of electric vehicles will obviously be limited to a much shorter period of time. European manufacturers and organizations related to e-mobility are aware that the mistake we witnessed years ago in the field of photovoltaics, when most production processes moved to Asia, must not be repeated. With the boom in photovoltaics in Europe, we became more and more or even completely dependent on Asian manufacturers. A similar story is currently unfolding in the development of electric vehicles and related infrastructure, but the key is to keep the development and production of applications related to e-mobility in Europe.
 
 
 
Unleashing the Power of Mode 4 Charging: Safeguarding Your EV

Unleashing the Power of Mode 4 Charging: Safeguarding Your EV

Unleashing the Power of Mode 4 Charging: Safeguarding Your EV

 

Charger fuse for protection of highpower DC EV chargers

Safety is our top priority when it comes to Mode 4 charging systems. That's why our Charger fuse plays a vital role in safeguarding DC circuits, capable of handling voltages up to 1000V DC and rated currents up to 600A. These specially designed fuses feature unique dimensions and connection contacts tailored to meet the specific requirements of each charging application.

 

Anže Jerman

Product manager

Photovoltaic String Protection: Keeping the Current Flowing Safely

Photovoltaic String Protection: Keeping the Current Flowing Safely

Photovoltaic String Protection: Keeping the Current Flowing Safely

 

Photovoltaic 1500V d.c. systems

With the PV String protection, we have in mind the protection of PV modules against reverse currents. It is used in combination with central inverters where PV strings are usually combined in d.c. combiner boxes. Inside d.c. combiner boxes, PV strings are protected with cylindrical fuse‑links inserted in cylindrical fuse holders. 

 

Anže Jerman

Product manager

E-mobility: Electric chargers - part 2

E-mobility: Electric chargers - part 2

E-mobility: Electric chargers - part 2

The most efficient and safest method for charging electric vehicles for home use in accordance with the IEC 61851-1 standard is AC mode 3, either a single-phase or three-phase connection with different power ratings.

 

Aleksander Cilenšek
Product manager
Twój koszyk jest pusty.